梁配筋参数说明¶
1.通用¶
📍 1.1.1 线程数¶
- 🔍 注释:可填1~12,根据电脑性能调整,性能越高可填数值越大。
📍 1.1.2 梁标签字高¶
- 🔍 注释:梁图中截面、标高、配筋等字符的高度。
📍 1.1.3 梁编号前缀¶
- 🔍 注释:所有梁编号附加前缀,如“DX-KL1”,梁编号前缀填“DX-”。
📍 1.1.4 人防梁编号前缀¶
- 🔍 注释:所有人防梁编号添加前缀。如“R-KL1”,人防梁编号前缀填“R-”。
📍 1.1.5 梁与 X 轴角度 a ~ β ,为 Y 向梁¶
📍 1.1.6 出图方式¶
- 🔍 注释:梁配筋可按X单向、Y单向、XY两个方向三种方式生成施工图,X、Y向的标准按上一选项的设定。
📍 1.1.7 保持集中标注编号不变¶
- 🔍 选项注释:
- a.是:重新生成梁配筋时,尽量保持梁集中标注中的梁编号不变(归并情况发生改变时,编号不得不变);
- b.否:允许按程序规则重新分配或调整集中标注编号。
📍 1.1.8 尽量保持梁配筋字符不变(如果变,尽量在原基础上增加钢筋)¶
- 🔍 选项注释:
- a.是:首先使用原配筋,不足处采用原纵筋直径增加根数(有超配可能);
- b.否:不按上述策略约束配筋字符的延续方式。
📍 1.1.9 联合相邻的连续梁配筋¶
- 🔍 注释:二次配筋,使用局部梁配筋功能时,选择是否考虑相邻连续梁的支座配筋。
2.标注显示¶
🟢 2.1梁标高¶
📍 2.1.1 梁标高表达方式¶
- 🔍 选项注释:
- a.默认:优先在梁集中标注表达,与集中标注不同的梁标高在原位标注;
- b.仅在原位表达:所有梁标高均在原位标注;
- c.完全不表达:不表达任何梁标高。
📍 2.1.2 结构标高字符¶
- 🔍 注释:H 结构标高的代称,若建筑已采用 H 表达,建议结构用其他字符表达,如 Hs。
📍 2.1.3 梁标高描述方式¶
- 🔍 选项注释:
- a.相对标高,梁标高表达为:H+x;
- b.绝对标高,梁标高表达为:H=x。
📍 2.1.4 梁面平坡面,且梁定位线平 XY 平面¶
- 🔍 注释:单向坡中垂直于放坡方向的梁,其标高的表达方式可按:
- a.按「平坡面」表达;
- b.按「标高数值」表达。
📍 2.1.5 被归并的梁,仍显示标高¶
📍 2.1.6 梁标高缺省值¶
- 🔍 注释:与填入缺省值相同的梁标高将不表达。
📍 2.1.7 梁面平板面且梁被填充时¶
- 🔍 选项注释:
- a.标注:仍表达相应标高/坡面信息;
- b.不标注:不表达。
🟢 2.2梁截面¶
📍 2.2.1 梁截面表达方式¶
📍 2.2.2 变截面梁仅标注与集中标注不一致的小梁段截面¶
- 🔍 选项注释:
- a.仅标注不一致截面:变截面梁中,仅对与集中标注不一致的小梁段截面进行标注;
- b.全部标注:相关小梁段截面均标注。
📍 2.2.3 型钢梁中型钢部分表达方式¶
- 🔍 选项注释:
- a.默认:按程序默认规则表达型钢混凝土梁中的型钢部分;
- b.单独表达:型钢与混凝土梁截面各单独标明;
- c.完全不表达:不在图面表达型钢部分(仅表达混凝土梁截面)。
📍 2.2.4 被归并的梁仍标注截面¶
🟢 2.3钢筋字符¶
📍 2.3.1 贯通筋原位标注添加标识T¶
- 🔍 注释:用于区分贯通筋与支座钢筋,例如拉通筋2Φ14原位表达为T2Φ14。
- 建议按“添加T”,有利于区分拉通筋与支座筋,慎改!
📍 2.3.2 标注充分利用钢筋抗拉强度符号 g¶
- 🔍 注释:选择非框架梁上部纵筋为充分利用钢筋抗拉强度时,是否标注符号 g 。
- 备注:按《22G101-1》4.2.3注3,当非框架梁L、井字梁JZL端支座上部纵筋为充分利用钢筋的抗拉强度时,在梁代号后加“g”。
📍 2.3.3 集中标注面筋底筋分行后,面筋添加分号¶
📍 2.3.4 集中标注与其所在梁跨内容关系¶
📍 2.3.5 梁跨类型与集中标注的梁类型不同,且箍筋不等于自身缺省值时¶
📍 2.3.6 梁长小于设定值___(mm),且纵筋能贯通时,添加后缀字符____。示例:2Φ25(通长)。¶
- 🔍 注释:设定梁面钢筋全贯通的长度和表达方式。全贯通即梁面两端支座和拉通筋均采用同样配筋,例如:2Φ25(通长)
🟢 2.4支座面筋¶
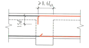
📍 2.4.1 支座筋缺省值¶
-
🔍 各选项注释:
- a. 同集中标注:梁支座配筋与梁集中标注的贯通钢筋相同时,缺省表达该支座配筋,否则表达支座配筋。
- b. 同自身梁跨贯通筋:梁支座配筋与当跨梁贯通钢筋(原位标注梁贯通钢筋)相同时,缺省表达该支座配筋,否则表达支座配筋。
- c. 同集中标注及自身梁跨贯通筋:梁集中标注的贯通钢筋、当跨梁贯通钢筋(原位标注梁贯通钢筋)和梁支座配筋都相同时,缺省表达支座配筋,否则表达支座配筋。
-
🔍 注释如图:
📍 2.4.2 单跨梁支座¶
📍 2.4.3 多跨梁支座¶
- 备注:用于更好识别梁跨的划分位置,尤其多跨连续次梁时建议采用"至少保留一个面筋"。
🟢 2.5其他¶
📍 2.5.1 标注混凝土等级¶
- 🔍 注释:选择是否标注不同于楼层设置(特殊指定修改过)的混凝土等级。
📍 2.5.2 标注构造抗震等级:标注特殊指定修改过的梁构造抗震等级。¶
- 🔍 注释:选择是否标注不同于楼层设置(特殊指定修改过)的抗震等级。
📍 2.5.3 梁跨类型与集中标注不一样的,原位标注按折梁构造¶
- 🔍 注释:选择是否原位标注折梁或折框梁。
📍 2.5.4 梁跨类型与集中标注不一样的,原位标注梁跨类型¶
📍 2.5.5 小梁段属性(截面、标高、分段箍筋)标注方式¶
3.有限元结果¶
📍 3.1.1 计算书小数精度(纵筋、箍筋的计算书单位为cm²)¶
-
🔍 注释:
-
以用户设置的计算书小数精度配筋,可分别对纵筋和箍筋精度进行设置,填入数值保留小数的位数。
-
进位设置,大于用户设置值时进1显示。
-
-
注意:设置的精度要与提供给校审的计算书精度一致,避免误会!
📍 3.1.2 模型信息与计算书包络¶
-
🔍 选项注释:
-
a.取【原始计算书四舍五入保留2位小数】与【按3.1.1条设置处理过的计算书】中的大值配筋。
-
b.仅以【按3.1.1条设置处理过的计算书】配筋。
-
📍 3.1.3 砼梁忽略轴拉力的轴拉比¶
- 🔍 注释:轴拉力小于 X·Ft·A 时忽略不计,X为轴拉比,Ft为梁混凝土抗拉强度设计值,A为梁全截面面积。
- 备注:根据《混规》6.3.14,当梁存在拉力时(即使拉力为0.01kN),箍筋最小配筋率比纯受剪或剪扭受力状态的最小配筋率要大。该选项可由用户控制忽略梁拉力的大小,填0则不忽略。
4.梁归并¶
🟢 4.1连续梁间归并¶
连续梁是否能归并由两类条件决定:
-
一、计算书在设定的归并范围内;
-
二、几何特征在设定的归并范围内。
📍 4.1.1计算书类
-
包括纵筋、扭筋、斜筋、箍筋。
-
🔍 注释:归并系数为较低值的放大比例,归并值为钢筋差异的绝对值。
-
当计算书差值比值小于该归并系数,或差值绝对值小于该归并值数值时,则视为可归并。
📍 4.1.2几何特征类
-
包括梁段数量、每个梁段长度、总梁跨长度、支座筋锚固长度。
-
对于单跨梁,梁跨长度在容差范围内、两侧锚固长度在容差范围内,则设为可归并。
-
对于多跨连续梁,每个梁跨内的梁段数量一样、每个梁段的长度在容差范围内、两侧锚固长度在容差范围内,则设为可归并。
请注意梁跨和梁段的区别:
-
梁跨是指在结构受力体系中,由支座约束分隔形成的、独立承担荷载作用的梁体受力区段,其数量等于支座数量减一,是从结构受力与计算角度划分的基本单元。
-
梁段是指在结构建模过程中,因构件相交、软件自动打断等处理机制形成的最小独立梁构件单元,是从建模与构件编号角度划分的基本单位,单跨梁可被相交构件分割为多个梁段。
📍 4.1.3允许跨体系归并
- 🔍 注释:当一个视图内存在多于一个体系时,是否允许不同体系的梁归并。
🟢 4.2支座两侧配筋归并¶
📍 4.2.1面积归并系数&归并值
- 🔍 注释:当支座两侧钢筋差值比值小于该归并系数,或差值绝对值小于该归并值数值时,则拉通两侧支座钢筋。
📍 4.2.2悬挑梁根部支座两侧钢筋拉通
- 🔍 选项注释:
- a.拉通:无视支座两侧计算书差值,强制将悬挑梁纵筋伸入内侧梁;
- b.无要求:按面积归并系数或归并值设定考虑拉通与否。
5.纵筋¶
🟢 5.1面筋钢筋库¶
- 🔍 注释:可按梁类型(如 TZL、LL、KL、L、XL)分别设置梁面钢筋直径范围。
🟢 5.2直径与排数¶
📍 5.2.1 面筋直径尽量小于___(mm)¶
- 🔍 注释:在钢筋排数不超设定值的前提下,优先使用直径小于设定值的钢筋。
📍 5.2.2 面筋最大排数¶
- 🔍 注释:根据梁高范围设定梁面纵筋的最大排数。
🟢 5.3配筋率限制¶
📍 5.3.1 抗震端\非抗震端:梁纵筋的最大配筋率:___%¶
- 🔍 注释: -对于矩形梁,最大配筋率取 As/(b·ho),其中ho为梁有效高度。 -默认判断原则: -a.抗震梁与竖向构件固支相连端、多跨连续抗震梁中间支座侧的固支端为抗震端; -b.非抗震梁无竖向构件相连端为非抗震端; -c.其余按第5.4条「支座抗震构造」参数确定。
大于该配筋率时按“无法选筋”输出。
📍 5.3.2 面筋超配值 ____(cm²)¶
- 🔍 注释:设置面筋选筋范围可增加的上限。
- 假定计算书中梁顶面钢筋面积为 (As),面筋超配值填 (x),则该处梁面筋的选筋范围为(As~ As+x),值越大可选范围越大。
该数值应该大于纵筋面筋归并值或系数换算对应值
📍 5.3.3 铰接端仍需满足最小配筋率¶
- 🔍 注释:该项决定梁的铰接端支座钢筋是否按满足最小配筋率配置。
📍 5.3.4 型钢混凝土转换梁最小配筋率强制按组合规范5.5.2取0.3¶
- 🔍 注释:该项决定是否按《组合规范》5.5.2条规定放松型钢混凝土转换梁最小配筋率要求。
🟢 5.4支座抗震构造¶
- 🔍 注释:各种梁端支座构造做法选择是否按抗震构造。
🟢 5.5锚固¶
📍 5.5.1 另设构造措施,忽略锚固长度¶
- 🔍 注释:此选项控制是否按规范或图集要求的纵筋直锚长度来选筋。
- 根据《混规》8.3.5条,受力普通钢筋末端可通过焊接钢板或型钢实现锚固。
📍 5.5.2 铰接端忽略锚固长度限制¶
- 🔍 注释:设铰的梁端支座钢筋是否忽略锚固长度的限制。
上述两项为无法选筋考虑项
根据相关规范或图集,梁端部纵筋的直锚长度为:
构件 连接类型 位置 直锚长度 主梁 固接 面筋 0.4LabE 主梁 / 底筋 0.4LabE 主梁 铰接 面筋 0.35Lab 次梁 固接 面筋 0.6Lab 次梁 铰接 面筋 0.35Lab
📍 5.5.3 钢筋直径≤____时,忽略锚固长度限制¶
- 🔍 注释:梁端支座钢筋不大于设置直径时,将忽略其锚固长度。
📍 5.5.4 允许次梁按混规8.3.2.4条修正锚固长度¶
- 🔍 注释:控制次梁是否按超配钢筋面筋修正面筋锚固长度
《混规》8.3.2第4点,当纵向受力钢筋的实际配筋面积大于其设计计算面积时,修正系数取计算面积与实际面积的比值,但对抗震设计要求及直接承受动力荷载的结构构件,不应考虑此项修正。
📍 5.5.5 检测支座两侧钢筋互锚¶
📍 5.5.6 支座两侧梁宽不一致时,忽略钢筋互锚¶
🟢 5.6面筋取值¶
📍 5.6.1 铰接端支座面筋不小于底筋的 1/4¶
- 🔍 注释:选择是否执行《混规》9.2.6条第1点中对梁段铰接时支座钢筋配筋面积的要求。
📍 5.6.2 梁纵筋直径不宜大于钢筋所在位置柱截面弦长的1/20¶
- 🔍 注释:选择是否执行《高规》6.3.3条第3点、《抗规》6.3.4条第2点。
📍 5.6.3 跨中负筋计算面积取值范围¶
- 🔍 选项注释:“支座筋截断点”为1/3跨长处(取支座两侧相邻净跨的大值)位置,“不需要点”为从截断点位置往支座方向内延max(h0,20d)的位置。
📍 5.6.4 跨中负筋范围内计算弯矩小于素混凝土抗弯承载力,可不设贯通筋¶
- 🔍 注释:该选项控制是否考虑素混凝土抗拉承载力,可将使用架立钢筋的条件降低,提高材料利用效率。
备注:现行其他后处理软件做法是,只要跨中负筋计算面积取值范围内存在负弯矩,则采用贯通钢筋,且配筋面积不小于截面最小配筋率要求。
🟢 5.7纵筋放大系数¶
-
🔍 表格注释:设置不同属性梁的面筋和底筋放大系数,当有特殊指定时,按特殊指定执行。
-
🔍 选项注释:
-
a.基于弯矩放大:即按内力*放大系数算出的配筋值与构造配筋取大值配筋。
-
b.基于计算书放大:即按计算书显示配筋值*放大系数配筋。
用户认为放大系数未起效的,系选了“基于弯矩放大”
🟢 5.8布筋有效宽度¶
📍 5.8.1 额外增加梁面筋的布筋有效宽度(mm)¶
- 🔍 注释:可通过增加布筋有效宽度达到放宽梁面纵向钢筋最小净距的目的。
📍 5.8.2 当梁与剪力墙或柱子角筋碰撞时,梁布筋有效宽度额外折减(mm)¶
- 🔍 注释:该选项控制梁纵向钢筋布置时,考虑竖向构件角部纵筋的影响,填0则不考虑。
6.纵筋(构造)¶
🟢 6.1悬挑梁面筋伸入内跨后,拉通比例¶
- 🔍 注释:可根据悬挑梁与内跨梁长度比例,设置内跨梁的拉通筋与悬挑梁面筋的最小比例。
🟢 6.2钢筋连接方式¶
📍 6.2.1 偏心受拉构件钢筋另设连接措施¶
- 🔍 注释:控制偏拉构件是否标注钢筋连接措施。
- 标注内容为“钢筋连接措施自定义描述”中填入的内容。
📍 6.2.2 转换梁钢筋另设连接措施¶
- 🔍 注释:控制转换梁是否标注钢筋连接措施(标注内容为“钢筋连接措施自定义描述”中填入的内容)。
🟢 6.3最小直径(梁纵筋最小直径)¶
- 🔍 注释:可根据梁长(跨度)设置不同的最小纵筋直径。
🟢 6.4通长筋¶
📍 6.4.1 通长筋是否允许采用(或部分采用)架立筋¶
-
🔍 注释:该项控制梁上部跨中钢筋是否采用架立筋。
-
选项“按规范”,对于框架梁保证梁上部至少两根通长受力纵筋,其余可用架立筋替代;对于非框架梁梁上部跨中可采用架立筋。
📍 6.4.2 梁跨长度小于____(mm),跨内能贯通时,用拉通筋替换架立筋¶
- 🔍 注释:梁跨小于设置长度时不采用架立筋。
🟢 6.5相邻跨梁钢筋延伸长度¶
- 🔍 注释:该项可设置梁支座钢筋向相邻跨梁延伸的长度。
🟢 6.6面筋最小净间距¶
- 🔍 注释:可根据支座条件设置梁纵向钢筋最小净间距。
7. 箍筋¶
🟢 7.1箍筋最小直径¶
- 🔍 注释:可根据梁类型设置箍筋最小直径。
🟢 7.2箍筋显示¶
- 🔍 注释:可根据梁类型设置缺省表达的箍筋,梁图种与表中缺省箍筋一致的将不标出。可继续添加行,若不缺省表达可删除行。
🟢 7.3箍筋肢数¶
📍 7.3.1 箍筋肢数允许单数¶
- 🔍 注释:该项可控制梁箍筋是否可为单数。
📍 7.3.2 箍筋肢数强制按用户设置取值¶
- 🔍 选项注释:
- a.按下表:用户可根据梁宽和梁类型设定箍筋肢数;
- b.按规范:根据规范允许的最大肢距反算箍筋肢数。
🟢 7.4箍筋加密¶
📍 7.4.1 折梁全长加密¶
📍 7.4.2 悬挑梁箍筋最大间距¶
🟢 7.5配箍方式¶
📍 7.5.1 次梁端部无竖向构件时,允许按4级抗震设置加密区形式作为分段配箍¶
- 🔍 注释:该项控制是否允许次梁采用加密区/非加密区的配箍形式(如 8@100/200),加密区长度同四级抗震构造(≥1.5hb 且 ≥500mm)。若选择「设置」,用户应在图面中添加相应说明或图例。
📍 7.5.2 次梁端部有竖向构件时,按构造加密,加密区间距不小于____(mm)¶
📍 7.5.3 允许同一跨梁内分段标注箍筋¶
📍 7.5.4 非加密区箍筋最小直径仍满足高规6.3.2-2要求¶
-
🔍 注释:抗震梁箍筋非加密区的最小箍筋直径是否仍满足《高规》表6.3.2-2要求。
-
a. 执行,全截面箍筋最小直径均按《高规》表 6.3.2-2 执行;
-
b. 不执行,加密区与非加密区最小箍筋直径可不一样。
-
8.附加横向钢筋¶
9.扭筋¶
🟢 9.1通用¶
📍 9.1.1 标注构造腰筋¶
- 🔍 注释:控制梁配筋图中是否标注构造腰筋。若选择“不标注”,用户应另行表达。
📍 9.1.2 腹板高度hw计算方式¶
- 🔍 注释:控制配置腰筋时的腹板高度是否扣除板厚。
📍 9.1.3 转换梁无论是否偏心受拉,腰筋直径不小于 16(mm)¶
- 🔍 注释:控制转换梁或框支梁是否执行《高规》10.2.9-1条关于腰筋直径不小于16(mm) 的规定。
📍 9.1.4 扭筋分配方式¶
- 🔍 注释:供用户选择扭矩分配方式。各选项释义:
- a.由纵筋承担:抗扭腰筋仅按腰筋构造要求配置,剩余抗扭纵筋面积平摊到上、下部纵筋;
- b.完全由腰筋承担:腰筋满足计算所需的抗扭纵筋面积要求,上、下部纵筋不考虑分担;
- c.按高宽比分配:按照截面的高宽比比例分配。
🟢 9.2自动抗扭¶
- 🔍 注释:根据梁侧楼板情况、梁类型自动设置抗扭钢筋。
📍 9.2.1 梁仅单侧有楼板,考虑抗扭¶
📍 9.2.2 梁两侧均无楼板,考虑抗扭¶
📍 9.2.3 弧形梁考虑抗扭¶
📍 9.2.4 折梁考虑抗扭¶
📍 9.2.5 梁两侧板高差大于_____(mm)时,考虑抗扭¶
- 🔍 注释:上述选项控制无计算抗扭钢筋面积要求时,是否考虑抗扭。若考虑抗扭,则把梁构造腰筋改为扭筋,反之则仅配置构造腰筋。
📍 9.2.6 若需要抗扭,扭筋最小直径____(mm)¶
- 🔍 注释:设定最小抗扭筋直径。实配抗扭钢筋直径为计算需要、构造腰筋值、本项设置值三者中取大值。
10.挠度裂缝¶
🟢 10.1准永久值系数¶
- 🔍 注释:考虑裂缝挠度时的荷载准永久组合系数。
🟢 10.2裂缝¶
- 🔍 注释:可设置是否按裂缝配筋,及裂缝宽度限制。
🟢 10.3挠度¶
- 🔍 注释:可设置是否按挠度配筋,及挠度限制。
🟢 10.4梁起拱¶
- 🔍 注释:可按梁跨设置梁起拱高度。梁挠度计算时会扣除起拱值。
11.AI选筋¶
🟢 11.1配筋方案¶
📍 11.1.1 连续N跨浮选筋[影响选筋效率,慎改]¶
📍 11.1.2 支座配筋最大可选项数目[影响选筋效率,慎改]¶
📍 11.1.3 配筋方案¶
- 🔍 选项:
- a.含钢量尽量少;
- b.钢筋排数尽量少;
- c.钢筋根数尽量少。
📍 11.1.4 配筋算法¶
🟢 11.2按梁类型贯通¶
📍 11.2.1 悬挑梁纵筋自动全拉通¶
📍 11.2.2 悬挑梁长度小于该值,面筋贯通(mm)¶
📍 11.2.3 转换梁纵筋自动全拉通¶
📍 11.2.4 连梁对称配筋(底筋=面筋)¶
📍 11.2.5 连梁纵筋自动全拉通¶
📍 11.2.6 框架梁角筋自动贯通¶
📍 11.2.7 弧梁角筋自动贯通¶
🟢 11.3按梁长贯通¶
📍 11.3.1 短梁长度小于____(mm),跨中面筋优先与支座筋拉通¶
📍 11.3.2 次梁长度小于____(mm),跨中面筋优先与支座筋拉通¶
📍 11.3.3 主梁长度小于____(mm),跨中面筋优先与支座筋拉通¶
📍 11.3.4 极短梁长度小于____(mm),面筋全贯通¶
- 🔍 选项:
🟢 11.4含钢量计算¶
📍 11.4.1 计算钢筋搭接区附加腰筋的含钢量¶
📍 11.4.2 计算面筋搭接的含钢量¶
📍 11.4.3 计算面筋锚固部分的含钢量¶
🟢 11.5用户自定义梁分类¶
📍 11.5.1 梁越短,越优先选能贯通的钢筋¶
📍 11.5.2 梁越矮,越优先选排数少的钢筋¶
12.底筋优选¶
🟢 12.1底筋钢筋库¶
- 🔍 注释:可按梁类型(如 TZL、LL、KL、L、XL)分别设置梁底钢筋直径范围。
🟢 12.2直接限制¶
¶
📍 12.2.1 底筋直径尽量小于____(mm)¶
- 🔍 注释:在钢筋排数不超设定值的前提下,优先使用直径小于设定值的钢筋。
📍 12.2.2 连续梁底筋采用一种钢筋直径¶
- 🔍 选项注释:
- a.是:连续梁底筋尽量统一为同一种直径;
- b.否:允许按各跨需求选用不同直径。
📍 12.2.3 底筋忽略锚固长度¶
- 🔍 注释:梁底钢筋选择时,是否忽略锚固长度作为控制条件。
- 底筋锚固长度系规范和图集要求内容。
- 选“不忽略”可能导致底筋出现选用小直径情况,尤其屋框梁。
📍 12.2.4 配筋方案¶
- 🔍 注释:用于设置底筋优选的目标策略(含钢量优先、根数优先、排数优先)。
📍 12.2.5 根数限制:若按大直径配筋,需满足 N+K 根(K=____)¶
- 🔍 注释:用于约束小直径方案出现的情况,避免一味追求低钢筋含量导致大量小直径底筋情况。
📍 12.2.6 面积限制:超配比例____ 或 超配值____(cm²)¶
- 🔍 注释:用于限制底筋优选中的面积超配范围,避免偏离目标配筋面积过大。
📍 12.2.7 悬挑梁底筋与面筋的面积比值不小于____¶
- 🔍 注释:用于控制悬挑梁底筋与面筋的最小面积比例关系。
🟢 12.3底筋截断¶
📍 12.3.1 底筋支座端截断方式¶
-
🔍 注释:该选项可选择底筋截断的方式:
-
a.不允许截断——所有底筋都锚入支座;
-
b.必须整排截断——以排作为截断钢筋的最小单位,不允许一排钢筋内既有截断的也有不截断的。
-
c.尽可能多截断——以最省钢筋的目标,尽量多截断。
-
d.第一排必须入支座——第一排入支座,第一排以外的尽可能多截断。
-
📍 12.3.2 底筋截断时确定可截断钢筋面积位置¶
📍 12.3.3 底筋截断最大比例¶
-
🔍 注释:可控制底筋截断的最大比例。
-
填入值≤0时,完全不截断;填入值≥1时,完全由“底筋支座端截断方式”选项控制。
📍 12.3.4 梁长小于该值,底筋不截断(mm)¶
- 🔍 注释:当梁长小于设定阈值时,底筋按整根保留,不执行截断策略。
🟢 12.4变宽度截面¶
📍 12.4.1 变宽度截面采用附加钢筋,附加钢筋的直径¶
- 🔍 注释:选择变宽度的梁是否采用附加钢筋的做法,和设定附加钢筋的直径
13.梁表设置¶
📍 13.1.1 梁类型¶
- 🔍 注释:仅单跨梁、无原位标注且满足梁类型表中所有条件的采用梁表方式表达。



























































